当前位置:网站首页>ZVS电路初步测试
ZVS电路初步测试
2022-07-16 21:09:00 【卓晴】

§01ZVS振荡电路
一、简介
零电压开关震荡 (ZVX) 电路经常用于一些高压、大功率电路中, 电路中的功率MOS管在 导通和关断阶段, 漏极源极之间电压为 0, 这就极大降低了电路功率管上的功耗, 从而可以提高电路的功率输出。 下面为了应用该电路, 探索电路应用原理,搭建一个基本电路进行测试。







二、元器件准备
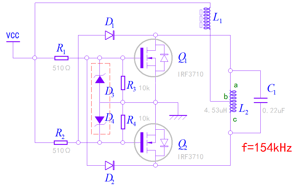
ZVS振荡电路所使用的元器件并不太多。 这两个MOS管选择 型号为IRF3710 N沟道功率MOS管。 扼流线圈使用一个磁环绕制线圈, 它的电感为 814uH。 另一个电感器件, 是带有中间抽头的电感, 它将使用磁环自行绕制。 电路其它器件的参数将会在最后给出。

三、测试电路
这是在面包板上搭建的实验电路。 电路没有带任何的负载。 施加+6V之后,测量到MOS管集电极与栅极信号。 这个波形与理想的开关管波形还是相差很多。 此时电源输出370mA电流。 剩下的一个问题,这些电功率都消耗在哪儿了呢?



下面来分析一下振荡频率, 根据电路的参数,可以计算出频率应该为159kHz。 实际电路频率, 为154kHz。

※ 总 结 ※
在这里初步搭建了ZVS测量电路, 电路原理图以及参数在这里给出了。 观察了电路中MOS管漏极与栅极电压信号, 验证了电路工作频率与电路器件之间的关系。




最后给出了工作电压在 8V时,功率管漏极和栅极上的电压信号波形。 这是两个MOS管漏极电压信号。


具体分析,之后有机会再进行吧。

■ 相关文献链接:
边栏推荐
- Bigdata operation week 14 & 15
- Sklearn linear regression completes the fitting of multiple term function and sine function
- C语言自定义类型:结构体,枚举,联合
- [untitled]
- 产品测评师工作重复繁琐怎么办?能实现自动化吗?
- 「接口自动化」软件测试涨薪核心技能、让薪资涨幅200%
- lun的概念
- Openstack related blog
- 三维点云课程(二)——最邻近问题
- [remote desktop] rustdesk open source remote desktop, a substitute for TeamViewer and sunflower
猜你喜欢
![[fluent -- actual combat] dart language quick start](/img/05/f47728f7f2881090b526b8f5b6beef.png)
[fluent -- actual combat] dart language quick start

PMP practice once a day | don't get lost in the exam -7.16

C # find perfect numbers, output daffodils and use of classes

深入剖析斐波拉契数列
![[arbre de décision] utilisation de l'arbre de décision pour le diagnostic du cancer du sein](/img/aa/ef3468f99d02845f3fd0414931073f.png)
[arbre de décision] utilisation de l'arbre de décision pour le diagnostic du cancer du sein

Picasso, an efficient search generalization sparse training solution
![[remote desktop] rustdesk open source remote desktop, a substitute for TeamViewer and sunflower](/img/f3/fff734a05fa543710e6582e3acbea1.png)
[remote desktop] rustdesk open source remote desktop, a substitute for TeamViewer and sunflower

sklearn线性回归完成多次项函数和正弦函数拟合

「接口自动化」软件测试涨薪核心技能、让薪资涨幅200%

No cl.exe solution found
随机推荐
10 minutes to customize the pedestrian analysis system, detection and tracking, behavior recognition, human attributes all in one
Enter a URL and explain the whole process
What if the work of product evaluators is repetitive and cumbersome? Can it be automated?
Overflow valve Rexroth zdb10vp2-4x/315v
三种常用时序数据库对比调研-InfluxDB、Prometheus、IotDB
2022 soft test network administrator preparation guide
C # network application programming, Experiment 5: data flow exercise
【决策树】使用决策树进行乳腺癌的诊断
Progress [detailed summary]
Wechat applet -- applet introduction and tool installation configuration
Picasso, an efficient search generalization sparse training solution
Logical loopholes in security testing
Bigdata 作业 第14&15周
Nature aging | activates FoxM1 gene, or doubles human life span
【百度飞桨】手写数字识别模型部署Paddle Inference
C language custom types: structure, enumeration, union
Generate multiple databases at the same time based on multiple data sources and zero code, add, delete, modify and check restful API interfaces - mysql, PostgreSQL, Oracle, Microsoft SQL server multip
[C # network application programming] Experiment 3: process management exercise
[NOIP2006普及组]明明的随机数
T-infinite Road